欢迎来到江苏惠斯通机电科技有限公司官网!

资质证书| 视频中心| 企业邮箱

  • 18961193390(电机事业部)
  • 18915807832(电机事业部)
  • 18915029551(电机事业部)
  • 18101502570(电机事业部)
  • 18932393213(仪器事业部)
  • 18915053617(仪器事业部)
  • 18915053621(仪器事业部)
惠斯通
您的位置: 首页 > 电机系列 > 无刷电机
上一页
下一页

80系列直流无刷电机

产品简介 / Introduction


电机型号MOTOR MODEL


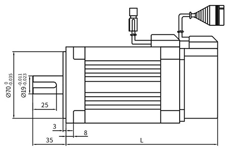
电机型号L(mm)L2(mm)
80WD-M006XX-XXV134
80WD-M013XX-XXV140
80WD-M024XX-XXV160170
80WD-M006XXB-XXV189
80WD-M013XXB-XXV184
80WD-M024XXB-XXV204214



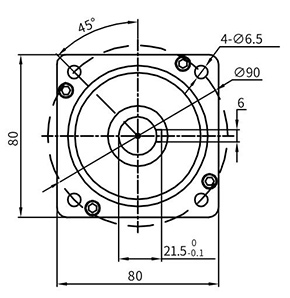
电机尺寸表MOTOR DIMENSION TABLE


尺寸表 

参数表PARAMETER TABLE



DC24VDC48V
电机型号80WD-M00630-24V80WD-M01330-24V80WD-M02430-24V80WD-M00630-48V80WD-M01330-48V80WD-M02430-48V
额定功率(KW)0.20.40.750.20.40.75
额定电流(A)10.420.839.14.99.818.4
额定转速(rpm)300030003000300030003000
转速高至(rpm)360036003600360036003600
额定扭矩(Nm)0.61.32.40.61.32.4
峰值扭矩(Nm)1.83.97.21.83.97.2
转子惯量(kg.cm2)0.30.60.90.30.60.9
机械时间常数(ms)11.513.417.310.111.815.1

DC72V
电机型号80WD-M00630-72V80WD-M01330-72V80WD-M02430-72V
额定功率(KW)0.20.40.75
额定电流(A)3.36.512.3
额定转速(rpm)300030003000
转速高至(rpm)360036003600
额定扭矩(Nm)0.61.32.4
峰值扭矩(Nm)1.83.97.2
转子惯量(kg.cm2)0.30.60.9
机械时间常数(ms)7.28.410.8

注:电机接口、电压、转速可按客户要求定制

型号命名规则MODEL NAMING RULES

型号命名
代号说明
机座号、电机外径单位:mm
电机类型WD表示电机为直流无刷电机
反馈元件规格M表示有霍尔传感器/N表示无霍尔传感器
额定转矩表示电机额定转矩,其值为三位X0.1单位Nm
额定转速表示电机额定转速,其值为两位X100单位rpm
失电制动器代号B表示带失电制动器,缺省表示不带失电制动器
电压等级表示电机额定电压,包括DC24V、DC48V、DC72V、DC96V、DC310V等
定制特征客户定制代号

在线留言

联系我们

如果您对我们感兴趣,请留下联系方式,我们专业团队
会在第一时间联系您预约体验的时间。

热品推荐 / Hot product

江苏惠斯通机电科技有限公司 版权所有

苏公网安备 32041202002749号
备案号: 苏ICP备12039845号-5

咨询热线:0519-86163583(电机事业部) 0519-86163211(仪器事业部)

联系我们

  • 电机事业部
  • 邮箱:tonghuidianji@126.com
  • 座机:0519-86163583
  • 地址:江苏省常州市武进区雪堰镇雪东工业园西肇巷103号
  • 仪器事业部
  • 邮箱:tonghuidianji@126.com
  • 座机:
  • 地址:无锡市滨湖区滴翠路太湖智谷86-5(B5栋)七层